Описание
Отзывы
Описание
Извещатель охранный ИО 102-14 предназначен для блокировки дверных и оконных проемов, др. строительных, конструктивных элементов зданий и сооружений на открывание или смещение, организации устройств типа «ловушка» на любых объектах как производственных так и жилых.
Извещатель ИО 102-14 (СМК-14) предназначен для блокировки дверных и оконных проемов, организации устройств типа "ловушка", а также блокировки других конструктивных элементов зданий и сооружений на открывание или смещение;
Извещатель предназначен для открытой установки на поверхности охраняемой конструкции, рассчитан на непрерывную круглосуточную работу;
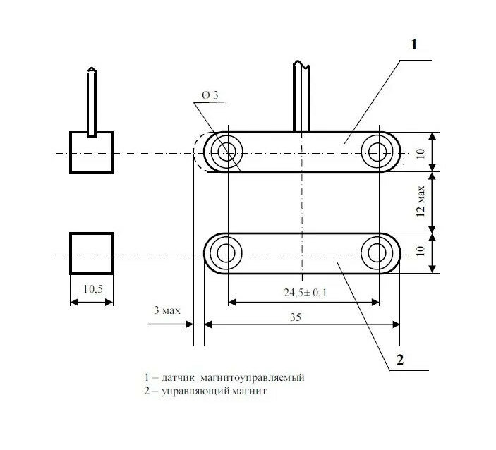
Извещатель конструктивно состоит из двух блоков: исполнительного (магнитоуправляемого датчика) и задающего (управляющего магнита), заключенных в пластмассовые корпуса;
С магнитоуправляемого датчика выведены два провода для подключения извещателя к шлейфу сигнализации. Полярность подключения проводов значения не имеет;
При расположении исполнительного и задающего блоков извещателя на расстоянии между ними 12 мм и менее контакты исполнительного блока находятся в замкнутом состоянии, а при 45 мм и более в разомкнутом состоянии;
Габаритные размеры каждой из двух частей: 35х10х10 мм.
Извещатель ИО 102-14 (СМК-14) предназначен для блокировки дверных и оконных проемов, организации устройств типа "ловушка", а также блокировки других конструктивных элементов зданий и сооружений на открывание или смещение;
Извещатель предназначен для открытой установки на поверхности охраняемой конструкции, рассчитан на непрерывную круглосуточную работу;
Извещатель конструктивно состоит из двух блоков: исполнительного (магнитоуправляемого датчика) и задающего (управляющего магнита), заключенных в пластмассовые корпуса;
С магнитоуправляемого датчика выведены два провода для подключения извещателя к шлейфу сигнализации. Полярность подключения проводов значения не имеет;
При расположении исполнительного и задающего блоков извещателя на расстоянии между ними 12 мм и менее контакты исполнительного блока находятся в замкнутом состоянии, а при 45 мм и более в разомкнутом состоянии;
Габаритные размеры каждой из двух частей: 35х10х10 мм.
Отзывы
Отзывов еще никто не оставлял
